Zum Hauptinhalt springen

Elektroschaltpläne / Stromlaufpläne

Wir machen mehr aus Ihren Handzeichnungen -
wir erstellen Dokumentationen von DIN A4 bis DIN A0+ in Farbe

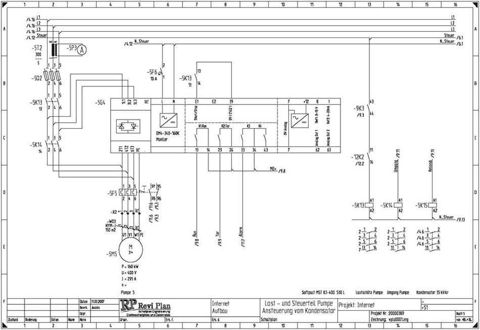
FU Steuer- Lastteil Pumpensteuerung über FU
Drehstrom - Wirkverbrauch- Vierleitermessung